|
JZJS羅茨水環真空機組廣泛應用于真空冶煉、鋼液脫氣、真空冷凍干燥、真空蒸餾、真空濃縮、真空吸引等,尤其適用于石油化工、輕紡、造紙、食品和醫藥等行業。
下面介紹一下500kg多功能真空感應爐的具體情況。首先,根據設備產生的氣量、用戶要求的工作壓力、極限真空度和抽氣時間等,選配主泵以及真空系統,再根據抽氣時間等工作要求,選擇配比合適型號的中間泵和前級泵。
其中主泵選擇為油增壓泵,中間泵選擇羅茨泵。前級泵選擇滑閥式機械泵。由于油增壓泵啟動時間長,在周期性操作的真空設備中,當真空室裝料和卸料的時候,為了縮短周期而不停止主泵,將高真空閥門和前級管道閥門關閉,使主泵仍然處于工作狀態。但是由于閥門漏氣等不可抗拒因素,主泵腔內壓強增大,很容易超過工作液的最大允許壓強而使泵油蒸氣氧化。
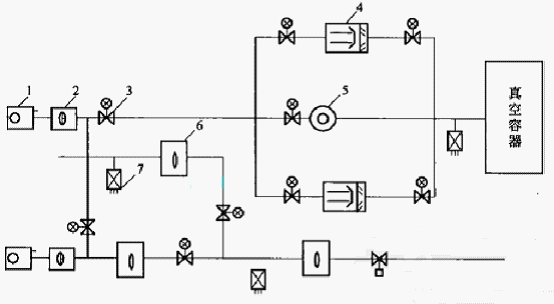
為了解決這個問題而又節約能源,在大型真空系統中采用在主泵人口處設置維持泵。該真空爐是多功能的,為了達到用戶的工藝要求,需要在低真空條件下進行吹氧和吹氬。在吹氧和吹氬的過程中,可能會排除大量的粉塵和煙氣,對機械泵和羅茨泵的壽命有很大的影響。所以,我們選擇再配備一臺水環泵,用以抽除大量粉塵等雜質.其真空系統原理圖如圖1所示。

圖1真空系統原理圖
1-機械泵; 2-羅茨泵; 3-氣動擋閥; 4-油增壓泵;
5-維持泵; 6-壓力泵; 7-真空測量規管
羅茨水環真空機組在真空爐中應用 相關文章
真空泵如何合理搭配成真空機組
羅茨液環真空機組正確操作
真空機組的價值體現
羅茨真空機組的工作原理
真空機組的安裝選擇須知
羅茨真空泵的傳動方式
|