|
一、DDC-JQ真空閥概述:
DDC-JQ真空閥是安裝在機械真空泵上的安全閥,安裝于機械真空泵的進氣口,并與泵同步開啟和關閉。當泵停止工作或電源突然中斷時,閥門自動關閉,使真空系統保持真空并將大氣充入泵腔內,從而避免泵油逆向流動而污染真空系統。DDC-JQ真空閥適用介質為純凈空氣或非腐蝕性氣體。
注:快卸及活套法蘭連接方式請參閱DDC-JQ-B系列電磁真空帶充氣閥(內有DN100規格)。
二、DDC-JQ真空閥主要零件材料:
閥 體:碳鋼. 閥板:鋁合金
密封圈:丁腈橡膠
三、DDC-JQ真空閥主要技術性能表:
|
適用范圍: |
105~10-2Pa |
閥門漏率: |
≤6.7x10-3 Pa.L/S |
適用溫度: |
-30~+50℃ |
線圈溫升: |
≤65℃ |
開閉時間: |
≤3s |
電源電壓: |
220v±10%/50Hz |
功 率: |
15w-40w |
工作頻次: |
≤3次/分鐘 |
峰值電流: |
0.2A(DN25-DN40), 2A(DN50-DN80) |
維持功耗: |
12w,40w(DN25-DN40), ≤12w(DN50-DN80) |
|
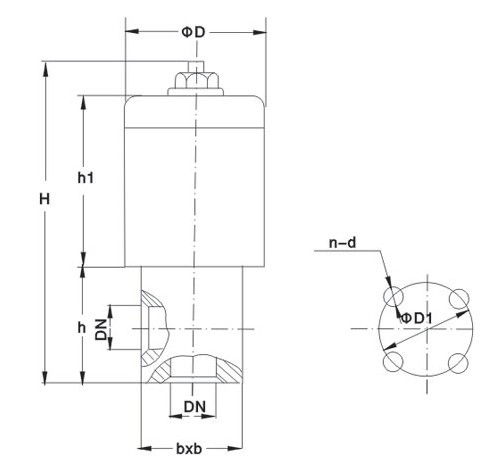
| 四、DDC-JQ真空閥的性能參數表及安裝尺寸: |
 |
型號 |
通徑(DN) |
外形尺寸 |
性能參數 |
匹配機械
泵型號 |
ΦD |
H |
bxb |
ΦD1 |
n-d |
h |
h1 |
漏氣率
(Pa.L/S) |
連接標準 |
DDC-JQ16A |
16 |
68 |
170 |
48x48 |
42 |
4-M5 |
56 |
99 |
6.7x10-4 |
JB919
法蘭標準 |
2XZ-0.5/1 |
DDC-JQ25A |
25 |
82 |
199 |
58x58 |
55 |
4-M6 |
70 |
113 |
2XZ-2/4 |
DDC-JQ32 |
32 |
92 |
222 |
68x68 |
64 |
4-M6 |
80 |
129 |
2XZ-4 |
DDC-JQ40 |
40 |
110 |
240 |
80x80 |
70 |
4-M6 |
88 |
135 |
2XZ-8 |
DDC-JQ50A |
50 |
125 |
290 |
95x95 |
90 |
4-M8 |
112 |
170 |
2X-15 |
DDC-JQ65 |
65 |
134 |
340 |
112x112 |
105 |
4-M8 |
130 |
174 |
2X-30A |
DDC-JQ80 |
80 |
165 |
367 |
140x140 |
125 |
4-M8 |
150 |
202 |
2X-70A |
DDC-JQ100 |
100 |
- |
399 |
- |
145 |
8-Φ9 |
- |
- |
|
DDC-JQ150 |
150 |
- |
684 |
Φ220 |
195 |
8-Φ12 |
- |
- |
|
|
備注:
1、輸入電源220V,50Hz
2、適用壓力范圍105~1x10-2Pa
3、閥可以長期工作
4、線圈溫升≤65℃
5、閥體材料:碳鋼鍍鎳
6、密封材料:丁腈橡膠 |
DDC-JQ真空閥的選型須知:
(一)①真空閥型號②真空閥公稱通徑③真空閥公稱壓力④真空閥工作介質⑤真空閥工作壓差⑥真空閥介質溫度⑦真空閥電源電壓及頻率⑧真空閥介質粘度。
(二)真空閥正常工作時的電壓為220V (+22/-15)V 如超過此范圍,請訂貨時注明電壓波動量。其它規格電源電壓可做特殊訂貨。
(三)閥門的開通時間達12小時以上,請選用常開式真空閥。當使用環境周圍有易燃易爆品,請選用防爆型真空閥。
(四)當使用的場合非常重要或環境比較復雜時,請您盡量提供設計圖紙和詳細參數,由我們的技術專家為您審核把關。
(五)特殊訂貨:
①如您選購氟橡膠膜片(Viton)則在訂單中注明V,其介質量高溫度可達到130℃;如您選購三元乙丙膠膜片(EPDM)則注明E,其介質最高溫度可達到110℃。
②需要法蘭連接可在訂貨時說明。
上海飛魯真空泵廠有限公司主要真空泵產品有:旋片式真空泵系列、水環式真空泵系列、往復式真空泵系列、羅茨真空泵系列、滑閥式真空泵系列、水噴射真空泵系列、擴散泵系列、真空機組系列等泵類產品及真空泵配件,我公司擁有豐富的生產歷史,技術精良,產品質量穩定可靠,公司恪守“以誠信,市場,互利”的宗旨,重合同,守信用。為您提供優質的產品、良好的服務,做您忠實可靠的合作伙伴, 竭誠歡迎各界新老朋友前來光臨洽談合作!
我公司免費咨詢電話:400-021-5161
感謝您訪問我公司的網站,如有任何疑問.您可以致電給我們,我們一定會盡心盡力為您提供優質的服務。
真空泵配件:
DDC-JQ真空閥
DYC-Q真空閥
真空泵油
真空表
|